Endeavour Instrument Pvt. Ltd.

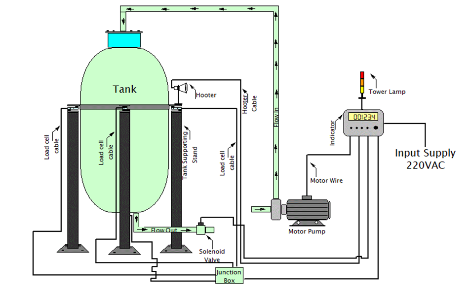
Providing Tank / Silo Weighing Solutions

  • On board 24-bit ADC is provided for Digitizing Analog Input.
  • Filtering: Analog & Digital
  • Sampling speed: 15 readings/second
  • Power Supply: 24 VDC / 230 VAC
  • Input: 4-wire Load cell, Up to Four Single Load cell with 300 Ohms Resistor
  • Remote input for GROSS/NET, TARE and Zero functions
  • Display: 6-digit 7-segment 0.56” Red LED
  • Decimal position: Selectable.
  • Keyboard: Four keys membrane like
  • Different type of Load cell assembly
  • MS powder coated or SS304/316
D&B Verified Business Seal